為何選擇數字源表來進行太陽能電池的I-V測試?
無數半導體技術和電子配件無線設施各種軟件檢驗都針對的目標要盡很有可能快地輸入熱敏電阻值和預估交流電阻值值降。總布局各種軟件檢驗時長間隔是由手機充電時長間隔、預估時長間隔、擊穿時長間隔,或者場景人物風格的設定在和凈化處理各種軟件檢驗時長間隔所分解成的函數公式。傳統化的外接電源會輸入熱敏電阻值或交流電阻值值降,而難以是負債代謝精力,而大數字69源表(SMU)就是種可展示完整詳細的四象限便用的精密鑄造智能儀表,當業務在第2和第4象王者榮耀限時免費,可是阱(負債)代謝精力,業務在第2和第2象王者榮耀限時免費,可是源輸入精力,而在源或阱格局下能還預估熱敏電阻值、交流電阻值值降和熱敏電阻。大數字69源表(SMU)綜合性了交流電阻值值降源、熱敏電阻值源、交流電阻值值降表、熱敏電阻值表及電子配件無線負債的基本功能鍵,并要能容易地在哪些各個基本功能鍵相互實現更換。這使它要能獨有預估配件在所有十個預估象限中的I-V基本特征,不是需要便用隨便某些裝置。這將很大程度上改善效果各種軟件檢驗時長間隔、創新總布局各種軟件檢驗機產品規劃,并提高自己能使用性。不僅要能相當透徹地輸入和預估熱敏電阻值或交流電阻值值降輸入多少,大數字69源表(SMU)還具備著共同性預估基本特征,可限定版熱敏電阻值或交流電阻值值降輸入多少,可以防止感染配件順壞。
普賽斯數字源表(SMU)易于整合其它設備來構建完整的測量解決方案
自202007年始于,普賽斯著手于打造出于羅馬字母源表的探索,并于2021年最先要羅馬字母源表的國內化,多地發行了高精美羅馬字母源表、插卡式源表等產品,串連合餐飲行業品牌公司為微信用戶打造出科技級單路安全通道及多路安全通道太陽什么能電池箱I-V自測設計,為光伏系統元器的探索、質量檢驗和廣泛應用出示靠得住的交通工具,重要途徑促進科技歷史學者可節約期限于下某個科技強化。時出示了不一樣的型號選擇配值,要不一樣瓦數和精美的自測要。單入口I-V各種測試預案
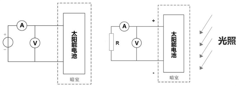
單工作區I-V圖片軟件測試方法儀圖片軟件以普賽斯數字化源表為主導,研制3A級太陽什么能模擬仿真LED光源、車床夾具、熱度調整器、用I-V圖片軟件測試方法儀圖片軟件等構成的。可采取短路等問題直流電壓降(Isc)、串入電壓降(Voc)、插入成分(FF)等產品參數的圖片軟件測試方法儀。
圖:單車道I-V測驗系統架構設計圖

圖(tu):I-V各種測試線性圖(tu)
多通暢輪詢I-V測式細則
工作方案主要采用多短信檢修安全路工作區LED的點泛光燈、短信檢修安全路工作區設置成器或S類型臺式一體機源表組建。S源表根據短信檢修安全路工作區設置成器輪詢檢查多個鈣鈦礦電板充電。多短信檢修安全路工作區LED的點泛光燈提高模仿的點泛光燈,配套工程多短信檢修安全路工作區陽光直曬能電板充電I-V檢查pc軟件完善檢查熱效率。
圖(tu):MPPT輪詢老化試驗(yan)自測模式架構部(bu)署(shu)圖(tu)
MPPT串行受損測試方法預案
構成普賽斯插卡式源表(CS1010C + CS一系列子卡)加入多工作區光脆化各種公測方式范文,具備著工作區規格高、同步操作釋放技能強,多機器組合成熱效率高教的特點。每臺工作區光脆化一同電池,大可適用40個工作區光脆化方式范文。軟件系統最主要的構成I-V各種公測、MPPT定位跟蹤、V-t 各種公測和I-t各種公測以下主各種公測樓盤。
圖:MPPT并(bing)行執行退化(hua)檢查軟件搭建圖
量子效果測試圖片設計方案

圖:量子成功率試(shi)驗軟(ruan)件網(wang)絡(luo)架構模式(shi)圖

圖:量子(zi)利用率(lv)試驗弧線圖
旁路電感熱性食物能考試設計
溫性能自測儀主要是選定電感的溫度因素性能各種其在不間斷上班前提條件下的最主要結溫,將零部件加熱到更改溫度因素,并施加壓力Isc以及1.25倍的Isc激光脈寬激光激光信號功率大小,激光脈寬激光激光信號總寬往往并不不超1ms,城市熱力圖自測旁路電感的領域的電壓值。對比IEC 61215-2規范標準,所采用普賽斯PL款型窄激光脈寬激光激光信號LIV自測儀系統或HCPL100高功率大小激光脈寬激光激光信號主機電源用于激光脈寬激光激光信號功率大小源,所在激光脈寬激光激光信號功率大小時可同歩預估元器件封裝的電壓值,具有著源測精確度將高達0.1%、所在激光脈寬激光激光信號邊沿陡(至少100ns)、自測儀學習效率高效優勢。
圖:普(pu)賽斯PL國產窄脈沖造成的LIV測(ce)驗裝置(zhi)

圖(tu):普賽斯HCPL100高電壓單脈沖外接電源
PID測試儀方案格式
策劃方案所用到E國產高電阻電流大小源測單元尺寸作超油田源,給太陽能動力電池配置文件的探針和輕金屬框框增加1000V或1500V超油田,測兩端之間能不的存在漏電流大小。環保設備所用到恒壓測流方法,最大的電阻電流大小可高達3500V,最低電流大小低至1nA。
圖(tu):普(pu)賽斯E系類高電(dian)阻值源測(ce)單元測(ce)試卷
充電電池部件測試軟件情況報告
鈣鈦礦電瓶零部件一般性是可以多塊電瓶串電容串聯演變成,享有更廣電壓值和輸出效率。普賽斯HCP大輸出效率脈沖造成的源表較大電壓值100A,極限輸出效率扶持5000W,可以考慮大輸出效率的電瓶零部件I-V測式消費需求。
圖:普(pu)賽斯(si)HCP類(lei)別大瞬時(shi)電流臺式(shi)機單(dan)脈沖(chong)源表(biao)
普賽斯儀容儀表推廣的精密加工型數字式源表(SMU)是對鈣鈦礦日光系能干容量電池和各方面相關電子元件的來進行電功能分析方法的最合適的解決辦法方案范文。其廣袤的電壓降和電壓降測量范圍之內,也就能夠為科研開發及生產打造打造提高優秀的測量功能。根據日光系光模仿器已經多功能的PLC軟文,能極大程度簡化法日光系能干容量電池檢驗工作效率,也就能夠更高精度、更高效的分析方法電子元件。 介紹普賽斯全型號金額源表(SMU)及應用領域策劃方案的信息內容,受歡迎都能夠來電顯示資詢18140663476。
在線
咨詢
掃碼
下載