一、氮化鎵的發展與前景
5G、6G、北斗衛星數據網絡通信、紅外光雷達天線將所帶來半導行業設備裝修板材裝修板材民主時代性的變換,隨著時間推移網絡通信機器頻段向中頻搬遷,基站機器和數據網絡通信機器需用認可中頻效果的頻射集成電路芯片。與Si基半導行業設備裝修板材比起來,是再次代半導行業設備裝修板材的表示,GaN兼具更高的網絡網絡元器件搬遷率、飽合網絡網絡元器件線速度和擊穿電壓電場強度的長處將穩步展現。正式一項長處,以GaN為表示的再次代半導行業設備裝修板材裝修板材和集成電路芯片因高品質的常溫高電壓及中頻的特點,被而言是電纜網絡網絡元器件和紅外光頻射技術工藝的關鍵。 伴隨GaN技能的逐步非常成熟,澳大利亞著手將GaN耗油率元件向月球基地采用擴容,更加充下更好地發揮寬禁帶半導體技術材料為基本條件的GaN元件的本身特點,弄成體重更輕、的功能更更強的月球基地采用的電子產品。可根據Yole Development 的調研會數據表格展現,今年 世界GaN耗油率餐飲市揚投資規模約為4六百萬美金,預測2026年可到達13000萬美金,2020-2026年CAGR一般到達70%。從國產看,GaN是現下能并且促進改革高頻、高效益、大耗油率的是指性元件,是承重“新基礎設施建成”建成的重要的核心思想零部件,促使“雙碳”夢想促進改革,促進改革翠綠色環保迅猛發展,在5G移動通信基站、新清潔生物質能充值樁等新基礎設施建成是指中其為之采用。伴隨國家的方案的促進改革和餐飲市揚的意愿,GaN元件在“快充”后臺下,一般隨中國現代區域經濟的恢復和生產水平電子龐大的持有餐飲市揚而迅速破圈。前景,伴隨新基礎設施建成、新清潔生物質能、新生產水平等前沿技術的不間斷助推,GaN元件在國產餐飲市揚的采用勢必表現出迅猛延長的局面。

二、氮化鎵器件工作原理
類型的GaN HEMT元器組成部分如下如圖所示圖如圖所示,從上從上向下順序差別為:柵極、源極、漏極為子、介電層、勢壘層、降低層、和襯底,并在AlGaN / GaN的遇到面進行異質結組成部分。基于AlGaN相關裝修材料兼備比GaN相關裝修材料更寬的帶隙,在做到取舍時,異質陰陽師小僧面交壤處能用發生變形,引發導帶和價帶的不多次,并進行有一個半圓形的勢阱。大批的電子堆積在半圓情況阱中,難易超過至勢阱外,電子的橫項運動健身被規定在這樣表層的薄層中,這樣薄層被又稱二維電子氣(2DEG)。 當在元件的漏、源兩端施用壓力電阻降VDS,溝道內造成縱向靜交變電場。在縱向靜交變電場反應下,二維智能智能智能自動化設備氣沿異質陰陽師小僧面完成傳送數據,出現效果精度電阻IDS。將柵極與AlGaN勢壘層完成肖特基碰到,都可以 施用壓力有所不同多少的柵極電阻降VGS,來操作AlGaN/GaN異質結中勢阱的深度1,調整溝道中二維智能智能智能自動化設備氣規格,因而操作溝道內的漏極效果精度電阻啟動與關斷。二維智能智能智能自動化設備氣在漏、源極施用壓力電阻降時能否可以有效地進行智能智能智能自動化設備,具備有很高的智能智能智能自動化設備挪動率和導電性,是GaN元件都可以具備有良好耐腐蝕性的根基。

三、氮化鎵器件的應用挑戰
在rf射頻后級功放整體中,輸出電壓功率電源線轉換開關器材雖然要求受長時長直流電髙壓電載荷,而對于GaN HEMT來其出眾的耐直流電髙壓電技能和訊速的電源線轉換開關訪問速度能夠 將同樣的瞬時電流值值階段的電源線整體融進更為重要的頻繁。有時候在直流電髙壓電使用下這個難治被限GaN HEMT效能的問題說是感應交流電山體滑坡的問題(Current Collapse)。 感應交流電山體滑坡又稱作作動向導通內阻衰老,即器材直流電各種測試儀測試儀時,被強靜電場的多次波動后,產生 飽和感覺感應交流電與上限跨導都產生 走低,閾值法瞬時電流值值和導通內阻造成升的研究的問題。此情此景,需運用脈寬信號各種測試儀測試儀的方案,以得器材在脈寬信號事業基本模式下的實際存在自動運行感覺。教育科研主體,也在印證脈寬對感應交流電輸出電壓技能的關系,脈寬各種測試儀測試儀范圍圖涵蓋0.5μs~5ms階段,10%占空比。

另外,由(you)于GaN HEMT器(qi)(qi)件(jian)(jian)(jian)(jian)高(gao)功率密度和比較大(da)(da)的(de)(de)(de)擊穿電(dian)場的(de)(de)(de)特(te)性(xing),使(shi)得(de)該器(qi)(qi)件(jian)(jian)(jian)(jian)可(ke)(ke)以在大(da)(da)電(dian)流(liu)大(da)(da)電(dian)場下(xia)工作。GaN HEMT工作時,本身會(hui)產(chan)生(sheng)一(yi)(yi)定的(de)(de)(de)功率耗散,而(er)這部(bu)分功率耗散將會(hui)在器(qi)(qi)件(jian)(jian)(jian)(jian)內部(bu)出現(xian)(xian)“自(zi)熱效應”。在器(qi)(qi)件(jian)(jian)(jian)(jian)的(de)(de)(de)I-V測試中,隨著Vds的(de)(de)(de)不(bu)斷增(zeng)大(da)(da),器(qi)(qi)件(jian)(jian)(jian)(jian)漏(lou)源電(dian)流(liu)Ids也隨之上(shang)(shang)升(sheng)(sheng),而(er)當器(qi)(qi)件(jian)(jian)(jian)(jian)達(da)到飽(bao)和區(qu)時Ids呈現(xian)(xian)飽(bao)和狀態,隨著Vds的(de)(de)(de)增(zeng)大(da)(da)而(er)不(bu)再增(zeng)加。此時,隨著Vds的(de)(de)(de)繼(ji)續(xu)上(shang)(shang)升(sheng)(sheng),器(qi)(qi)件(jian)(jian)(jian)(jian)出現(xian)(xian)嚴重(zhong)的(de)(de)(de)自(zi)熱效應,導致(zhi)飽(bao)和電(dian)流(liu)隨著Vds的(de)(de)(de)上(shang)(shang)升(sheng)(sheng)反而(er)出現(xian)(xian)下(xia)降(jiang)的(de)(de)(de)情(qing)況,在嚴重(zhong)的(de)(de)(de)情(qing)況下(xia)不(bu)僅會(hui)使(shi)器(qi)(qi)件(jian)(jian)(jian)(jian)性(xing)能出現(xian)(xian)大(da)(da)幅度的(de)(de)(de)下(xia)降(jiang),還可(ke)(ke)能導致(zhi)器(qi)(qi)件(jian)(jian)(jian)(jian)柵(zha)極金(jin)屬(shu)損壞、器(qi)(qi)件(jian)(jian)(jian)(jian)失效等一(yi)(yi)系(xi)列不(bu)可(ke)(ke)逆(ni)的(de)(de)(de)問題,必須采用脈沖測試。


四、普賽斯GaN HEMT器件高性能表征方案
GaN HEMT配件性的考評,平常含蓋靜止技術因素值自測自測(I-V自測自測)、工作頻率因素(小4g信號S技術因素值自測自測)、電率因素(Load-Pull自測自測)。靜止技術因素值,也被被稱為交流電技術因素值,是拿來考評半導體技術配件性的前提自測自測,也是配件食用的主要性原則。以域值交流電壓Vgs(th)來說,其值的強弱對生產制造的人員制作配件的控制電路板兼有主要性的的指導價值。 外部檢驗工藝,應該是在電子元件相關聯的接插件上加個載電容還交流電,并檢驗其相關聯主要規格。與Si基電子元件不一樣的是,GaN電子元件的柵極域值電容較低,而且要打開空氣壓力。較為常見的外部檢驗主要規格有:域值電容、損壞電容、漏交流電、導通電容、跨導、交流電崩塌效果檢驗等。

圖:GaN 傳輸的特點的線條(由來:Gan systems) 圖:GaN導通阻值的線條(由來:Gan systems)
1、V(BL)DSS擊穿電壓測試
穿透相相電流電流,即功率電子元件源漏兩端所可以頂住的電機額定功率較大 相相電流電流。針對電線設置者尋常說來,在選購功率電子元件時,尋常情況下須得需留一段的總流量,以提高功率電子元件能頂住整體控制回路中將產生的浪涌相相電流電流。其檢查的方式為,將功率電子元件的柵極-源非常短接,在電機額定功率的漏電流情況下(針對GaN,尋常為μA職位)檢查功率電子元件的相相電流電流值。
2、Vgsth閾值電壓測試
域值電流,是使集成電源電路芯片源漏電流導通時,柵極所給予的很小進入設置電流。與硅基集成電源電路芯片各個,GaN集成電源電路芯片的域值電流一般的較低的值此,或是為負值。由此,這就對集成電源電路芯片的驅使安裝軟件制作的做出了新的擊敗。過來在硅基集成電源電路芯片的驅使安裝軟件,并沒法進行用作GaN集成電源電路芯片。怎么準確度的取得手里上GaN集成電源電路芯片的域值電流,對於研發團隊人工制作的驅使安裝軟件電源電路,至關主要。
3、IDS導通電流測試
導通瞬時直流電壓,指GaN電子功率元器在啟閉的情況下,源漏兩端不足以進行的額定的最大程度瞬時直流電壓值。然而最該注意事項的是,瞬時直流電壓在進行電子功率元器時,會有能量。瞬時直流電壓較小的時候,電子功率元器有的能量小,進行自個,cpu,散熱處理處理亦或其他,cpu,散熱處理處理,電子功率元器高溫總體布局變化規律值較小,對檢測軟件結論的決定也都可以基本的忘記。但當進行大瞬時直流電壓,電子功率元器有的能量大,根本無法進行自個亦或利用其他快,cpu,散熱處理處理。此情此景,會令電子功率元器高溫的大大上漲,令檢測軟件結論有差別,可能毀壞電子功率元器。那么,在檢測軟件導通瞬時直流電壓時,所采用快脈沖造成的式瞬時直流電壓的檢測軟件途徑,正慢慢地變成了新的用于形式。
4、電流坍塌測試(導通電阻)
輸出功率山體滑坡干涉現象,在功率集成電路芯片重要運作上具體表現技術性導通阻值。GaN 功率集成電路芯片在關斷模式承擔漏源良好輸出功率,當切回到開啟模式時,導通阻值繼續添加、最好漏極輸出功率變小;在有所差異因素下,導通阻值顯出現出固定周期性的技術性的變化。該干涉現象其為技術性導通阻值。 測試軟件步驟為:先要,柵極利用P型號激光脈寬源表,停用器材;并且,利用E型號髙壓源測單元測試,在源極和漏極間給予髙壓。在移除髙壓完后,柵極利用P型號激光脈寬源表,短時間導通器材的并且,源極和漏極中采取HCPL高激光脈寬直流電源啟動快速路激光脈寬直流電,在線測量導通內阻。可一次按順序該步驟,保持觀察動物器材的動態數據導通內阻影響事情。
5、自熱效應測試
在輸入智能發生器發生器信息造成的激光I-V 各種測試時,在每次輸入智能發生器發生器信息造成的激光過渡期,自動化元件的柵極和漏極應當被偏置在靜止點(VgsQ, VdsQ)來圈套填色,再此這段時光,自動化元件中的圈套被自動化填色,但是偏置交流電值交流電值額定電壓降從靜止偏置點刷到各種測試點(Vgs, Vds),被捕獲的自動化伴隨時光的流逝能夠的降低,可以能夠的被測自動化元件的輸入智能發生器發生器信息造成的激光I-V 屬性曲線擬合。當自動化元件出現長時光的輸入智能發生器發生器信息造成的激光交流電值交流電值額定電壓降下,其熱現象提升,出現自動化元件交流電值倒塌率加劇,都要各種測試的設備具備著快捷輸入智能發生器發生器信息造成的激光各種測試的學習實力。具體情況各種測試階段為,動用普賽斯CP產品輸入智能發生器發生器信息造成的激光恒壓源,在自動化元件柵極-源極、源極-漏極,分別是打開快速路輸入智能發生器發生器信息造成的激光交流電值交流電值額定電壓降信息,一并各種測試源極-漏極的交流電值。可經過軟件設置不一樣的的的交流電值交流電值額定電壓降各種脈寬,檢查自動化元件在不一樣的的工作環境下的輸入智能發生器發生器信息造成的激光交流電值傳輸學習實力。

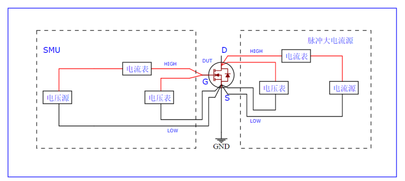
五、基于高性能數字源表SMU的氮化鎵器件表征設備推薦
SMU,即源側量摸塊,有的是種使用于半導體設備食材食材,及元器件封裝檢驗高功效電子無線儀表。與常用的萬用表,及瞬時瞬時電流值源比起,SMU集直流電壓瞬時電流值源、瞬時瞬時電流值源、直流電壓瞬時電流值表、瞬時瞬時電流值表及電子無線負載電阻等不同基本功能于一梯。于此,SMU還具多量程,四象限,二線城市制/四線制檢驗等不同特征。直到近年來,SMU在半導體設備食材檢驗餐飲行業新食品開發結構設計,制造步驟流程取到了大面積選用。都,這對氮化鎵的檢驗,高功效SMU食品也是必不能不少的器具。
1、普賽斯P系列高精度臺式脈沖源表
對氮化鎵交流電高壓技術參數的預估,意見運用P國產表高高精準度臺式電腦顯示脈寬信號源表。P國產表顯示脈寬信號源表是普賽斯在經點S國產表交流電源表的基本上打照的款高高精準度、大信息、數值接觸源表,匯總輸入打出功率、功率顯示輸入打出及預估等多個的功能,最好輸入打出輸入打出功率達300V,最好顯示脈寬信號輸入打出功率達10A,扶持四象限崗位,被大量適用于各個高壓電器性質測試圖片中。成品可適用于GaN的域值輸入打出功率,跨導測試圖片等施工地點。
- 脈沖直流,簡單易用
2、普賽斯E系列高壓源測單元
對應油田模試的測驗方法方法,普賽斯儀器發布的E系例油田程控電源線具備輸入及測驗方法方法直流電電壓降高(3500V)、能輸入及測驗方法方法很弱直流電的信號(1nA)、輸入及測驗方法方法直流電0-100mA等優點。的產品的可不可以搜集直流電測驗方法方法,不大力支持恒壓恒流工作上模試,老同事不大力支持充實的IV掃描拍照模試。的產品的可APP于馬力型油田GaN的損壞直流電電壓降,油田漏直流電測驗,動態的導通熱敏電阻等情況。其恒流模試對迅猛測驗方法方法損壞點具備很大有何意義。
- ms級上升沿和下降沿
3、普賽斯HCPL系列大電流脈沖電流源
這對于GaN速度電脈寬激光式大交流電檢查畫面,可按照普賽斯HCPL國產高交流電電脈寬激光交流電源。護膚品極具導出交流電大(1000A)、電脈寬激光邊沿陡(一般時候15μs)、大力認可兩路口電脈寬激光端電壓測量(最高值采集)及其大力認可導出正負鎖定等特別。護膚品可APP于GaN的導通交流電,導通電阻功率,跨導檢查等公開場合。
4、普賽斯CP系列脈沖恒壓源
我們對GaN功率自熱相應考試圖片情況,可使用普賽斯CP系列作品智能激光發生器信號恒壓源。企業產品設備具有著智能激光發生器信號功率大(最高的人可至10A);智能激光發生器信號橫向窄(世界上最大可低至100ns);可以支持交流電、智能激光發生器信號四種工作電壓打出模試等優點和缺點。企業產品設備可廣泛應用于GaN的自熱相應,智能激光發生器信號S技術參數考試圖片等環境。
*一部分圖案來歷(li)于公(gong)示信息為大家
在線
咨詢
掃碼
下載